Авторизация

На каменной плите в австралийской школе нашли 66 следов динозавров

На каменной плите в австралийской школе нашли 66 следов динозавров

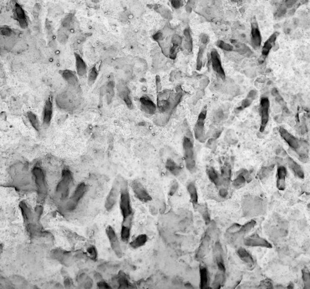
Фото: Университет штата Квинсленд Каменная плита, на которой нашли отпечатки следов динозавров

На плите было обнаружено десятки окаменелых следов ног, датируемых ранним юрским периодом около 200 миллионов лет назад.


На каменной плите в школе штата Квинсленд нашли одну из самых высоких концентраций следов динозавров когда-либо задокументированных в Австралии, сообщает ScienceAlert.
Плита была незамеченной около 20 лет, пока руководство школы не попросило палеонтолога Энтони Ромилио исследовать её. По словам Ромилио, на плите, площадь которой меньше одного квадратного метра, было найдено аж 66 отдельных следов.
Следы датируются ранним Юрским периодом, примерно 200 миллионов лет назад, из временного периода, из которого в Австралии не было найдено ни одной окаменелой кости динозавра.

Фото: Университет штата Квинсленд
Детальные освещения образца породы в Квинсленде
Камень оказался в школе после того, как угольные шахтеры откопали плиту в 2002 году и, заметив необычные следы, подарили её школе, где она впоследствии была выставлена в фойе.
Находка была опубликована в международном научном журнале Historical Biology.
Напомним, ранее сообщалось, что в Патагонии нашли нового динозавра.
В Турции найдена уникальная мозаика и монументальная гробница
 
 

Читайте Korrespondent.net в Google News

По материалам: Ошибка: текст или язык не указаны.
рейтинг: 
Оставить комментарий
Новость дня
Последние новости
все новости дня →
  • Топ
  • Сегодня

Опрос
Ви часто занимаетесь сексом на першому побаченні?